Also In This Album

My Post Pictures (25) »
MaLPoPieS June 2, 2025
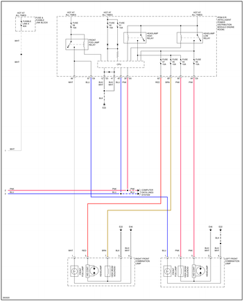
2007 G35 Sedan V36 Headlight wiring diagram02

More About This Picture

Vehicle

2007 0 0 ,

Location

N/A

Keywords

N/A

Discover More Pictures

See More
Advertisement

Comments (0)

Please Register or log in to leave a comment.

Be the first to comment on this picture!