G35 Sedan V36 2007- 08 Discussion about the 2nd Generation G35 Sedan 2007 - 08

Headlight Nonsense

Thread Tools
 
Search this Thread
 
Rate Thread
 
Old Jun 1, 2025 | 05:00 PM
  #1  
ChaosGremlin's Avatar
Thread Starter
|
Registered User
Joined: Jun 2025
Posts: 1
Likes: 0
Headlight Nonsense

TLDR Headlight not working after bulb and ballast (and the wire between them) have been replaced. All fuses checked out good.

The whole story...
So Lets start with I am a terrible car owner, I have a limited income so if the car runs I usually don't bother. When one headlight went out (drivers side) I just put it on my todo list and promptly forgot about it. Six months later I'm driving home and the other one goes out. I manage to make it home by following other cars, and only got pulled over once I start trying to get my **** together and order fresh bulbs. Granted all my car fixing knowledge dates back to the early 90's (last car was a 94 Miata) So I look up the youtube tutorials and replace the bulbs. And of course neither head light works. I assume its a fuse, check all the fuses, no dice, nothing wrong with any of them. I consult the great internet once more and come up with the Ballast as the probable problem. So I order 2 of them and get started, I get the drivers side replaced go to turn on the head lights just to see if it worked, and low and behold I have one headlight working... but its the passenger side. So I ask WTF, The side I didn't work on is now functioning, but the drivers light is still out and neither side has high beams. I am happy to have one light working, but I would really like to get both functioning. Any ideas are welcome.
 
Reply
Old Jun 2, 2025 | 03:43 PM
  #2  
MaLPoPieS's Avatar
Registered User
Joined: Jan 2024
Posts: 381
Likes: 128
From: Princeton, FL
Jaguar XFR-S
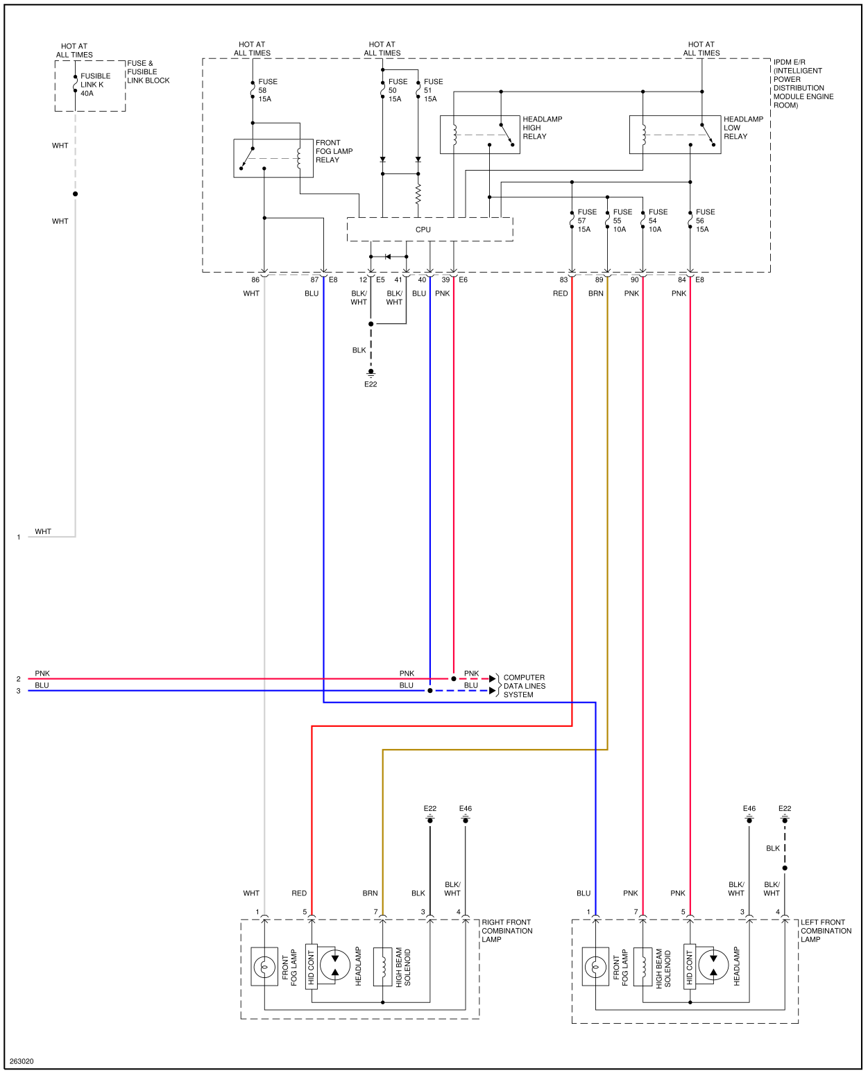
Here, headlight wiring diagram for a 07 G35 SEDAN V36:

2007 G35 Sedan V36 Headlight wiring diagram 01
2007 G35 Sedan V36 Headlight wiring diagram01

2007 G35 Sedan V36 Headlight wiring diagram 02
2007 G35 Sedan V36 Headlight wiring diagram02

As you can see, the IPDM controls them. When you switch Hi/Lo, do you hear a click sound from within the headlamp assembly? Those are Bi-Xenon headlamps and there is a 'eyelid' that goes up and down for the high beam effect. Relay is located inside the IPDM module and is not replaceable. If power goes into the IPDM from the lever switch but not to the headlamp, i would bypass the IPDM with a basic 4 pin relay to power up the eyelids.
 
Reply
Related Topics
Thread
Thread Starter
Forum
Replies
Last Post
Hall Stevenson
G35 Sedan V36 2007- 08
7
Dec 6, 2024 09:45 PM
etobu
G35 Sedan V36 2007- 08
1
Oct 15, 2023 09:55 AM
jwoong
G35 Coupe V35 2003 - 07
4
Aug 17, 2011 02:00 AM
eb20004x4
G35 Sedan V35 2003-06
23
Sep 6, 2010 03:35 PM
Durugon2
Interior & Exterior
6
Sep 1, 2010 08:40 PM



You have already rated this thread Rating: Thread Rating: 0 votes,  average.


All times are GMT -4. The time now is 11:50 PM.