2008 G35 Manual swap
funny how confusing it is to wire up one pigtail lol
Use the FSM, they're all hosted for free at nicoclub. No account needed or anything.
https://www.nicoclub.com/infiniti-se...ls#g35_g37_q40
You'll find what you're looking for in sections:
SC - Starting/Charting for V35, STR - Starting for V36.
TM - Transmission for V35, AT - Automatic Transmission for V36, MT - Manual Transmission for V36
PG - Power and Grounding
https://www.nicoclub.com/infiniti-se...ls#g35_g37_q40
You'll find what you're looking for in sections:
SC - Starting/Charting for V35, STR - Starting for V36.
TM - Transmission for V35, AT - Automatic Transmission for V36, MT - Manual Transmission for V36
PG - Power and Grounding
Use the FSM, they're all hosted for free at nicoclub. No account needed or anything.
https://www.nicoclub.com/infiniti-se...ls#g35_g37_q40
You'll find what you're looking for in sections:
SC - Starting/Charting for V35, STR - Starting for V36.
TM - Transmission for V35, AT - Automatic Transmission for V36, MT - Manual Transmission for V36
PG - Power and Grounding
https://www.nicoclub.com/infiniti-se...ls#g35_g37_q40
You'll find what you're looking for in sections:
SC - Starting/Charting for V35, STR - Starting for V36.
TM - Transmission for V35, AT - Automatic Transmission for V36, MT - Manual Transmission for V36
PG - Power and Grounding
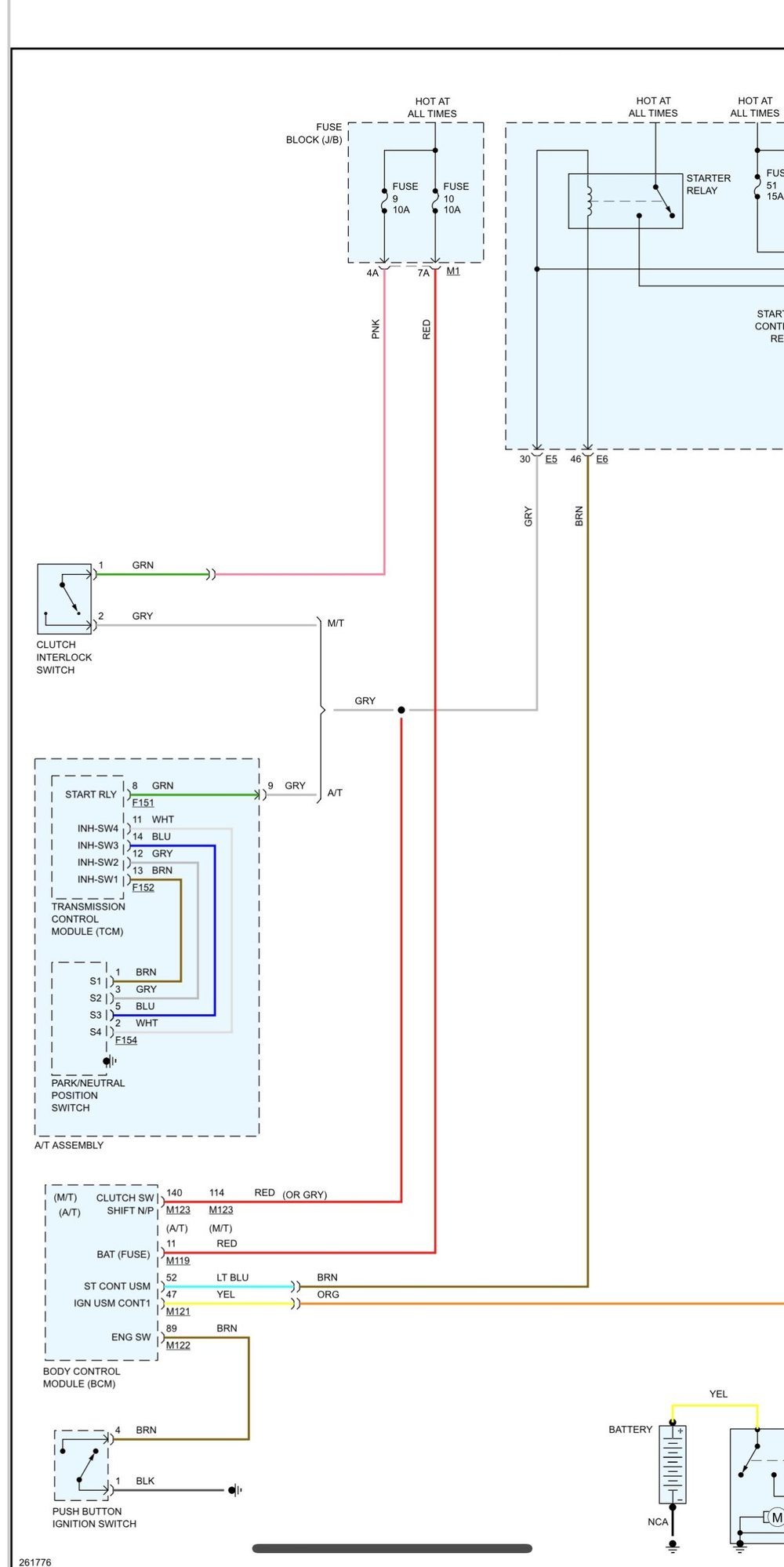
Yeah you intercept the PNP switch at the IPDM and wire it to the 6MT PNP switch.
The 5AT one going from the IPDM to the TCM, easier to intercept that wire in the engine bay at the IPDM.
I can't 100% remember the reverse switch but I think it was the same deal, grab the power circuit for it at the IPDM and just run new wires.
The 5AT one going from the IPDM to the TCM, easier to intercept that wire in the engine bay at the IPDM.
I can't 100% remember the reverse switch but I think it was the same deal, grab the power circuit for it at the IPDM and just run new wires.
Yeah you intercept the PNP switch at the IPDM and wire it to the 6MT PNP switch.
The 5AT one going from the IPDM to the TCM, easier to intercept that wire in the engine bay at the IPDM.
I can't 100% remember the reverse switch but I think it was the same deal, grab the power circuit for it at the IPDM and just run new wires.
The 5AT one going from the IPDM to the TCM, easier to intercept that wire in the engine bay at the IPDM.
I can't 100% remember the reverse switch but I think it was the same deal, grab the power circuit for it at the IPDM and just run new wires.
So I looked up the fsm for the 5at pigtail, does this look right? I believe someone else has done this same thing on a g37 splicing into the 7at harness. I just followed his connections and matched ‘‘em to my 5at harness. Once again I appreciate all the help. I’ve got all the parts laid out at my shop ready for the big install but wanna make sure I have the electrical side all good.
Ok check out this thread, it's somewhere down in the middle where I went over all the wiring for that swap.
https://g35driver.com/forums/g35-cou...g-input-2.html
https://g35driver.com/forums/g35-cou...g-input-2.html
Update!!!
Ok check out this thread, it's somewhere down in the middle where I went over all the wiring for that swap.
https://g35driver.com/forums/g35-cou...g-input-2.html
https://g35driver.com/forums/g35-cou...g-input-2.html
the way I have the car wired to existing AT trans harness allows me to start the car by only using the brake pedal when in neutral. If it’s in first even with the clutch depressed the car still won’t start unless it’s detecting it’s in neutral. Reverse lights works as well. So doing it this was allowed me to not have to go thru the ipdm for a switched power.
clutch pedal is strictly mechanical and neither of the two sensors are wired up.
im in the break in period for the actual clutch right now so I haven’t launched it. But it goes thru every gear like butter.
i do have a tune scheduled to flash my pcm from at to mt on the 20th so my pcm and stop trying to find my tcm lol and so my cel will turn off.
so yeah once again I appreciate you guys reaching out, there’s not much on my 2008 G35 sedan out there as far as 6mt swaps go so I had to dive into alldata and prodemand for schematics. But yeah any questions hit me up and thanks again.
I used this to wire the neutral switch and reverse light switch and works perfect to start the cat
Parts list
Hey Madchild,
I am about to start this project. Could you share the parts list. No one else has publicly taken on this project and posted about it but you.
Also if I’m not wrong, you did not have to change the ECU right?
Thanks
I am about to start this project. Could you share the parts list. No one else has publicly taken on this project and posted about it but you.
Also if I’m not wrong, you did not have to change the ECU right?
Thanks
My
Was yours AWD?
Not a problem bro, I’m more then happy to provide some insight since I literally had barely any help regarding looking everything up myself. No mine was rwd as well there’s a lot of little stuff you’ll need I’m compiling a list for you right now so stay posted.
You don’t need to go with the LUK clutch kit, I just went with it because it’s a known factory replacement and it came with flywheel, pressure plate, clutch, csc(concentric slave cylinder), and also the manual pilot bearing so it literally came with everything for inside on the trans




