G35 Sedan V36 2007- 08 Discussion about the 2nd Generation G35 Sedan 2007 - 08

2008 G35x Headlight low and high not working

Thread Tools
 
Search this Thread
 
Rate Thread
 
Old Jan 15, 2025 | 07:48 PM
  #1  
Abstraktt's Avatar
Thread Starter
|
Registered User
Joined: Jan 2025
Posts: 5
Likes: 0
G35x
2008 G35x Headlight low and high not working

Hey all! I have been perusing around through multiple threads and none have met the same *exact* circumstances I've had so I figured I would post.
I have an 08 g35x, I hadn't driven in 2 or so days. Hopped in last night to run to the corner store and neither my high or low beams were working. No prior issues with my lights up to this point. Turn signals work, light switch dims internal lights and yells at me when the door is open, high beams show as being on when pushed or pulled. Checked all fuses in IPDM and none are blown. The relay in the IPDM clicks so that seems to be working. None of the bulbs are burnt at all. I don't have a tester to test if the lights are getting power at the moment. Checked inner fuse panel as well and everything seems to be in order.

I plan on testing tomorrow if the headlights are getting power etc.. but hoping someone may have an idea for me to try. Hopefully not both ballasts going out at the same time (which seems highly unlikely) TIA!
 
Reply
Old Jan 16, 2025 | 07:33 AM
  #2  
Scorpi0's Avatar
Registered User
Joined: Feb 2018
Posts: 3,087
Likes: 445
From: LA, Cali
If you already checked the fuses, the next thing I would chech is if the bulbs are getting power. That will tell u which way to go.

Do u have HIDs ?

 
Reply
Old Jan 16, 2025 | 01:45 PM
  #3  
Abstraktt's Avatar
Thread Starter
|
Registered User
Joined: Jan 2025
Posts: 5
Likes: 0
G35x
Yes I have HIDs
 
Reply
Old Jan 16, 2025 | 03:47 PM
  #4  
MaLPoPieS's Avatar
Registered User
Joined: Jan 2024
Posts: 381
Likes: 128
From: Princeton, FL
Jaguar XFR-S
Get either a LED conversion from ebay or amazon that utilizes your OEM ballast or get new ballast with a new bulb. LED is 3x brighter than those 1990s Xenarc bulbs. I was able to ****** 2 used ballasts from amazon for $5.98 each because i thought one of mine burned out which turned out to be the ballast plug that connects to the bulb.

You need to raise the front, dump the front inner fender splash shields and then inspect the ballast plugs. MAKE SURE TO HAVE LIGHT SWITCH OFF OR YOU WILL BE HURTING BAD!
You could have the magic effect called 'Left ballast, Right bulb' out.. OR, it could be the case of wiring to the headlight assemblies or even a bad IPDM. Just because it clicks, it doesn't mean it makes contact.
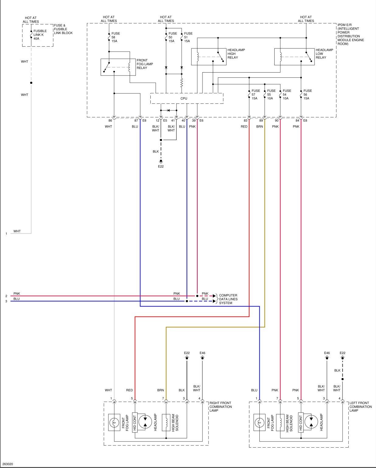
Here, headlamp circuit from a 2008 G35X with HID.

2008 G35X Headlamp Circuit01
2008 G35X Headlamp Circuit01
2008 G35X Headlamp Circuit02
2008 G35X Headlamp Circuit02
 

Last edited by MaLPoPieS; Jan 16, 2025 at 04:01 PM.
Reply
Old Jan 16, 2025 | 04:10 PM
  #5  
Abstraktt's Avatar
Thread Starter
|
Registered User
Joined: Jan 2025
Posts: 5
Likes: 0
G35x
Well false alarm gents, i mistook the high beam for the low beam. Both bulbs just so happened to burn out at the same time, thankfully that's not a huge issue. Any recommendations on replacements/LED replacements would be much appreciated otherwise im gonna start scouring amazon. None under $100/bulb at my local retailers.
 
Reply
Old Jan 16, 2025 | 04:17 PM
  #6  
MaLPoPieS's Avatar
Registered User
Joined: Jan 2024
Posts: 381
Likes: 128
From: Princeton, FL
Jaguar XFR-S
I have these: Amazon ASIN:
B0CBJW69WR B0CBJW69WR
.
I tested these: ASIN
B0CJ5B1Q3H B0CJ5B1Q3H
and they were pretty close to the ones i have but like i mentioned above, my HID socket fell off.
Those are plug and light, you only replace the bulbs and keep your OEM ballasts and they are the ones powering the LED bulbs.
 
Reply
Old Jan 16, 2025 | 04:20 PM
  #7  
Abstraktt's Avatar
Thread Starter
|
Registered User
Joined: Jan 2025
Posts: 5
Likes: 0
G35x
So the second one you listed I can just use the original ballast, do you know if I still need to use the clip to clip it into place with these as well?
 
Reply

Trending Topics

Old Jan 16, 2025 | 04:24 PM
  #8  
MaLPoPieS's Avatar
Registered User
Joined: Jan 2024
Posts: 381
Likes: 128
From: Princeton, FL
Jaguar XFR-S
Those LED bulbs are just like your OEM bulbs, you reuse the clips to keep them inside the housing and attach the plug. You might have to bend the grounding tab on the plug to make it fit.
Then wait till gets dark, (assuming your headlamp lenses are clear enough not yellow or tinted) then adjust them using a 8mm 1/4 socket for up and down.
Headlight adjusting 8mm bolt under rubber cover.
Headlight adjusting 8mm bolt under rubber cover.
 

Last edited by MaLPoPieS; Jan 16, 2025 at 04:37 PM.
Reply
Old Jan 16, 2025 | 04:25 PM
  #9  
Abstraktt's Avatar
Thread Starter
|
Registered User
Joined: Jan 2025
Posts: 5
Likes: 0
G35x
Awesome man, much appreciated!
 
Reply
Old Jan 16, 2025 | 05:27 PM
  #10  
Scorpi0's Avatar
Registered User
Joined: Feb 2018
Posts: 3,087
Likes: 445
From: LA, Cali
Interesting. I didnt know you could plug a LED bulb into your ballast. The ballast puts out thousands of volts during startup. I thought that would fry any LED.
 
Reply
Related Topics
Thread
Thread Starter
Forum
Replies
Last Post
Alx_G16
General Tech Questions
3
Dec 29, 2022 04:21 AM
pnancollas
Lighting
1
Feb 3, 2015 06:34 PM
Azayed
Lighting
2
Aug 7, 2013 04:01 PM
Lucky-G
Interior & Exterior
7
Jan 24, 2009 02:52 AM
nismog35driver
Canada
5
Sep 1, 2008 06:48 AM



You have already rated this thread Rating: Thread Rating: 0 votes,  average.


All times are GMT -4. The time now is 02:27 PM.