General Tech Questions This Forum is Only for Questions and Posts that Do Not fit under the other Tech categories.(No Classified Posts)

Please help! Ground Fault at CMPS connector, won't start. Also ECM help

Thread Tools
 
Search this Thread
 
Rate Thread
 
Old Apr 23, 2018 | 02:15 PM
  #1  
milksheikh's Avatar
Thread Starter
|
Registered User
Joined: Sep 2013
Posts: 9
Likes: 0
From: Vallejo, CA
Please help! Ground Fault at CMPS connector, won't start. Also ECM help

2005 g35 6mt
Hey everyone, so I've been a long time reader on here but never posted; always googling question and then usually finding answer on here.

After getting the p0340 code, which I've had a while back and replaced sensor with 1 from autozone knowing I'd eventually probably need another, I Was replacing the further left cam sensor (technically I believe it might be the EVT control position sensor, not relevant to problem though), if you have a RevUp you'll know what I mean, if not, there's 4 cam sensors not 2, was changing the first one on passenger side.

And bottom line situation is I think I caused a short to ground or ground fault at the CMPS connector.

I accidentally used the connector terminal as the ground, essentially doing the equivalent of inserting a paper clip connecting 2 of the 3 terminals (either terminals 1 and 2 or 2 and 3). Some Sparks popped and now whenever the key is turned to on the fan at front of car starts going, and car will crank but will not start anymore. Previously when first got the CEL the car would start, but periodically die when at stoplight or idling, occasionally on freeway.

Please guys really need help. I'm fearing worst case It's the ECM. But telling myself it's a fuse. On EBay tons of 2005 g35 6mt ECM's are just $40-80 so if the ECM is the issue, it's not a big deal. Called Infiniti and based on my VIN I need model: 23710-ac810. Which the cheapest is $550 but in general about $900-1k. Lost my job and can't afford any of those prices.

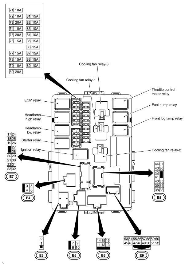
So I've gone through the FSM, and sketched out the route from the sensor back to the battery and to the ECM. I'm going to try to test any fuse or connectors I can with hopes that's all it is. My fear is that it doesn't really appear to have anything between the sensor and ECM but I could be unclear with the FSM diagrams. There are fuses and the ECM Relay (how do I test it btw), but it seems to be on the way to battery and nothing on the way to the ECM itself.

Can a split second short to ground/ground fault at the cam sensor connector really blow the entire ECM that quick/that amount of power/in the manner it occurred? Tell me thats absurd and it's just a fuse or relay (shoot, lie to me lol)oy

PLEASE Does anyone have any suggestions or maybe know what is wrong and I should check? I'm praying it's just a fuse, or the relay which please explain how I'd check if so, or anything simpler that just sends everything haywire and car won't start but cranks, etc, anything to give me some hope that it's not the ECM.

Also, please feel free to advise on how to test everything, don't think that something is too obvious to mention, I'd rather already know something you say then it seem benign like not using a ground on the circuit and screwing up like I did. I have a test light thing and a multimeter along with usual tools. Which would you use? How do I test the ECM terminals if I get that far and still looking? Test light or multimeter? I know the terminals but wanna make sure I do it right.

Thank you so much

Also posting questions in 5min about ECM model compatibility (instead of my 23710-ac810); translation/explanation of model no. and what needs to matched to work, etc. Didn't wanna make this post any longer, but this is link if you know ECM: Here
 

Last edited by milksheikh; Apr 23, 2018 at 03:38 PM.
Reply
Old Apr 23, 2018 | 02:45 PM
  #2  
cleric670's Avatar
BANNED!!!
Joined: May 2017
Posts: 14,837
Likes: 2,497
From: Washington State
Coupe 6MT Premium RAS
Premier Member

Start with the fusible link, you probably blew one of the fuses there, it's attached directly to the positive battery terminal, you will probably find one of the fuses is blown, a visual inspection is all you need for it because it will look blackened inside the viewing window for one of the fuses if it's blown or you will simply see the wire blown apart. Next check fuse 77 on the IPDM, also check the ECM relay for proper operation, 12v across pins 1 and 2 will CLOSE the circuit on the other two pins, use a generic fuse holder and don't do this with the battery hooked up to the car in case you short something out and cause even more problems.

Yes grounding out that pin could have damaged the ECU/ECM, it's just a computer complete with resistors and other electronics that are very susceptible to damage from line to ground faults like that. Basically you can only test these other components to verify power is getting to the ECU and that is has a ground. There's a LOT of possibilities for why it won't start and you might need to tow it to Nissan for a diagnostic rather than throw a bunch of parts at it hoping somehting makes it work.

 
Reply
Old Apr 24, 2018 | 12:02 AM
  #3  
milksheikh's Avatar
Thread Starter
|
Registered User
Joined: Sep 2013
Posts: 9
Likes: 0
From: Vallejo, CA
Originally Posted by cleric670@gmail
Start with the fusible link, you probably blew one of the fuses there, it's attached directly to the positive battery terminal, you will probably find one of the fuses is blown, a visual inspection is all you need for it because it will look blackened inside the viewing window for one of the fuses if it's blown or you will simply see the wire blown apart. Next check fuse 77 on the IPDM, also check the ECM relay for proper operation, 12v across pins 1 and 2 will CLOSE the circuit on the other two pins, use a generic fuse holder and don't do this with the battery hooked up to the car in case you short something out and cause even more problems.

Yes grounding out that pin could have damaged the ECU/ECM, it's just a computer complete with resistors and other electronics that are very susceptible to damage from line to ground faults like that. Basically you can only test these other components to verify power is getting to the ECU and that is has a ground. There's a LOT of possibilities for why it won't start and you might need to tow it to Nissan for a diagnostic rather than throw a bunch of parts at it hoping somehting makes it work.

Thank you so much for replying. Going to do all that soon as I get home in a few; Question regarding testing the ECM relay like you said, would it be acceptable to test it with a multimeter or test light; theres some walkthroughs online/youtube, or would doing it as described be the best? Only asking so I could test it now instead of waiting til I can buy holder and anything else needed tomorrow. And Im gonna leave battery connected for everything prior, then remove it for checking the ECM relay, and can you explain how to push the 12v to the relay pins and fuse holder. Gonna go youtube and see if theres a tutorial or one on forum, Just rather know for sure its what youre describing to do, instead of being a little off.

Thank you again seriously
 
Reply
Old Apr 24, 2018 | 07:29 PM
  #4  
cleric670's Avatar
BANNED!!!
Joined: May 2017
Posts: 14,837
Likes: 2,497
From: Washington State
Coupe 6MT Premium RAS
Premier Member

I would take some female spade terminals and crimp them onto some 12" pieces of wire then tie everything down on a bench and use aligator clips to apply the 12v to the coil side of the relay, then you use your digital multimeter set to OHMS and read across the contact side of the relay. Opening and closing the relay will cause the meter value to change exactly as if you touched the probes together and then pulled them apart, open and closed.
 
Reply
Old Apr 22, 2025 | 02:44 AM
  #5  
stone420's Avatar
Registered User
Joined: Sep 2024
Posts: 7
Likes: 0
2005 G35 Coupe
just a quick question that will probably help out,, does your tachometer move when youre cranking the car? do the fans come on as asoon as you turn the key on, does the red security light stay on solid while you are trying to start the car? Does your obd 2 refuse to communicate with the ecu/ecm? If you have these things happening then your ecm isnt communicating with the can bus modules giving the car the information it needs to start and run correctly, you are in fail safe mode, and are most likely faced with the following. your key no longer works to start your car, and you will have to have it reprogrammed by a mobile locksmith or have a new one made. you are going to have to reprogram your ecu/ecm, and have to go to the nissan website and find some kind of interface to go from your computer to your ecu/ecm. and you are going to have to go through each sensor, relay, fuse, etc. etc. to make sure that they arent causing the issue. How do I know this is whats happening, because Im dealing with every last bit of this b.s.! I love my G35 sport coupe, with just the basic mods that gives me a dyna tuned 327 rwhp. but this is becoming ridiculous, all these issues from a stupid relay failure! Talk about design flaws! Ill let you know if I ever get this thing fixed or if I just change my insurance to full coverage and let an act of God total it out for me.
 
Reply
Related Topics
Thread
Thread Starter
Forum
Replies
Last Post
speedk1ng
Engine, Drivetrain & Forced-Induction
13
Aug 8, 2013 10:01 AM



You have already rated this thread Rating: Thread Rating: 0 votes,  average.


All times are GMT -4. The time now is 01:06 AM.