Swapped 03/04 reverse lights onto my 05, now reverse lights don’t work

Subscribe
Oct 21, 2023 | 08:43 PM
  #1  
Exactly as title states, I picked up the trunk part of some 03/04 tails, swapped them into my 05 and now the reverse lights don’t come on, and they don’t light up at all. The problem started when I swapped the right side in, the original one on the left side stopped working, I thought maybe swapping both would fix it but still neither turn on. Will try switching back tomorrow to see if it fixes it. Any idea why the 03/04s don’t work?
Reply 0
Oct 22, 2023 | 09:28 AM
  #2  
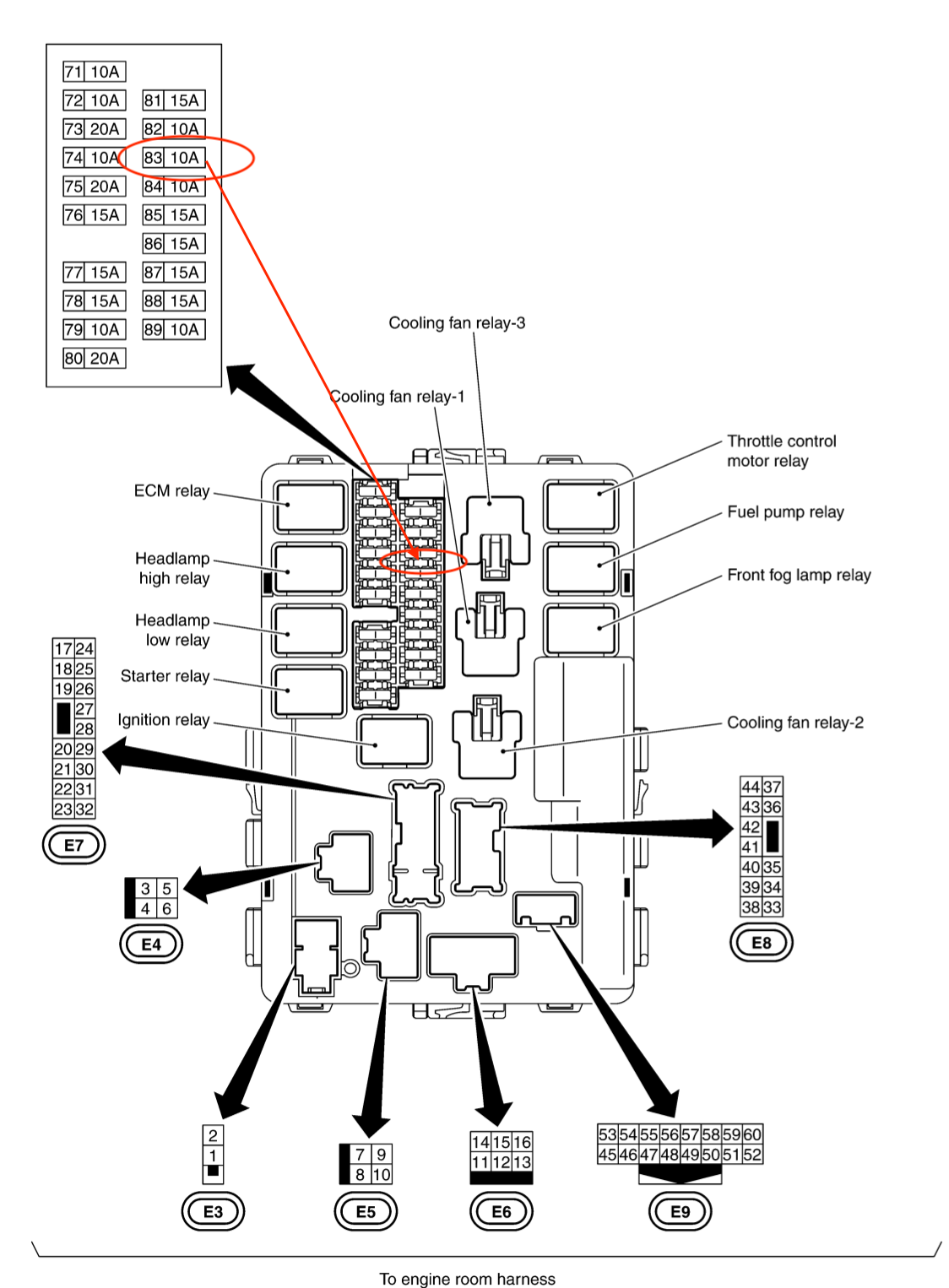
You mean you swapped the bulbs only, right? Should be the same 18w bulb. Maybe you accidentally popped the fuse - which is #83 in the IPDM?


Reply 0
Subscribe